GSQ系列清掃孔詳情介紹
GSQ清掃孔又稱清掃孔產品概述:
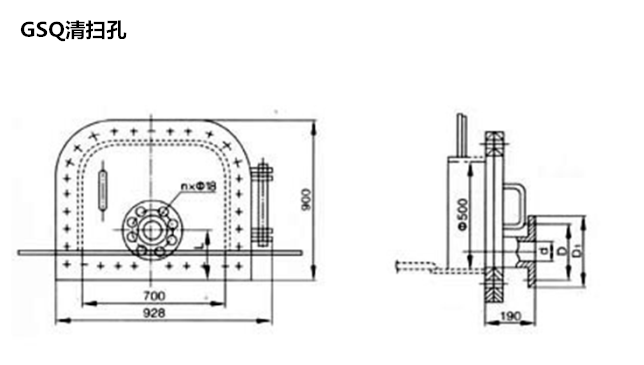
清掃孔又稱清掃孔,是儲罐附件之一,是為了清理罐底積物而設置的。它是一個上邊帶圓角的矩形孔,孔的高、寬均不超過1200mm,底邊與罐底平齊。清掃孔大多安裝于大型原油和重油罐,清掃油罐時可放出污水及掃除罐內污泥,其中GSQ-50A、GSQ-80B 、GSQ-100C,帶有放水管,其他不帶放水管,出廠時不供應孔頸及加強板。
名稱(規格) | 圖號 | 重量(kg) | 技術條件 |
A-Dg50×帶放水管清掃孔 | GSQ-50A | 181 | × |
B-Dg80×帶放水管清掃孔 | GSQ-80B | 183 | 借用GSQ-50A |
C-Dg100×帶放水管清掃孔 | GSQ-100C | 184 | |
H500×700×清掃孔 | QSK-0 | 134 | × |
規格 | 尺寸(mm) | ||||
d | D | D | L | N | |
A-Dg50 | Ф51 | Ф125 | Ф160 | 135 | 4 |
B-Dg80 | Ф81 | Ф160 | Ф195 | 150 | 8 |
C-Dg100 | Ф100 | Ф190 | Ф230 | 160 | 8 |
H500×700 | 不帶放水管,其它尺寸見圖 | ||||
結構圖:

訂貨須知:
訂貨時請注明:產品名稱、公稱通徑、壓力等級、材質、法蘭標準、操作壓力等詳細參數。以上產品尺寸為常規通用型號,如需其他規格尺寸、非標產品設計圖紙和詳細參數、或使用的場合非常重要的環境比較復雜時、請于我公司聯系,由我們的為您審核把關,竭誠為您服務。
本公司一直以來誠信為主、質量為本、客戶到上原則,為廣大客服提供好的產品和售后服務、歡迎來電咨詢。
